Для получения качественного файла электросхемы - сделайте нам запрос
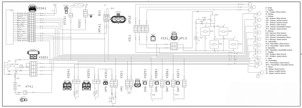
STELS S600 VIKING версии 2.0 Схема электрооборудования: Принципиальная схема

STELS S600 VIKING версии 2.0 Схема электрооборудования: управление

STELS S600 VIKING версии 2.0 Схема электрооборудования: Двигатель

STELS S600 VIKING версии 2.0 Схема электрооборудования: Светотехника

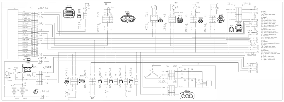
STELS S800 VIKING версии 2.0 Принципиальная схема

STELS S800 VIKING версии 2.0 Управление

STELS S800 VIKING версии 2.0 Управление двигателем

STELS S800 VIKING версии 2.0 Блок реле и предохранителей

STELS S800 VIKING версии 2.0 Светотехника

STELS S800 VIKING версии 2.0 Жгут проводов задний

STELS S800 VIKING версии 2.0 Дополнительное оборудование

STELS S800 VIKING версии 2.0 (БУДД.421414.003) Принципиальная схема

STELS S800 VIKING версии 2.0 ((Delphi)) Принципиальная схема
