STELS V800 VIKING (Схема электрооборудования панель приборная 380100-800-0000)
STELS V800 VIKING (Схема электрооборудования Блок реле и предохранителей)
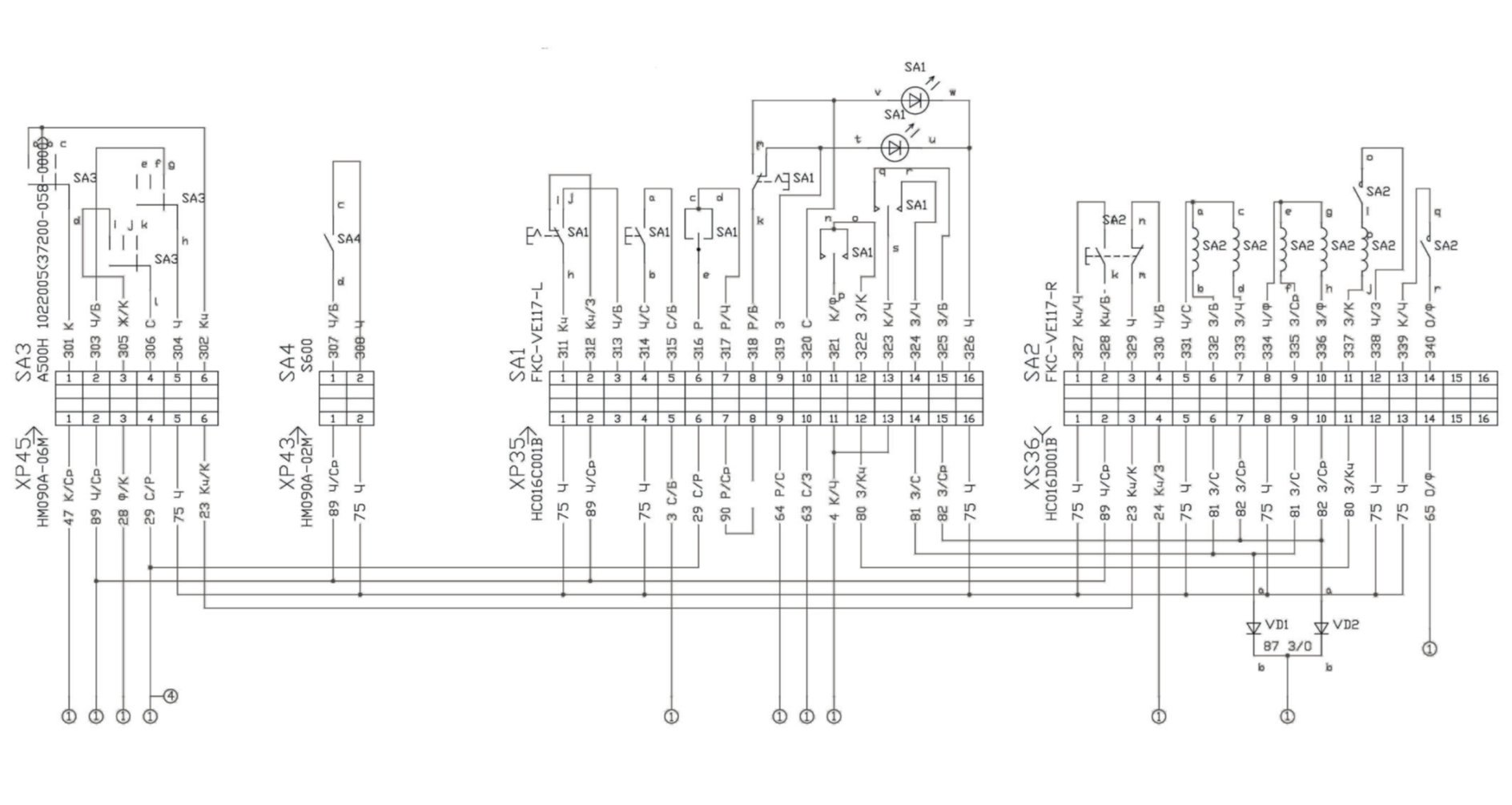
STELS V800 VIKING (Схема электрооборудования Управление)
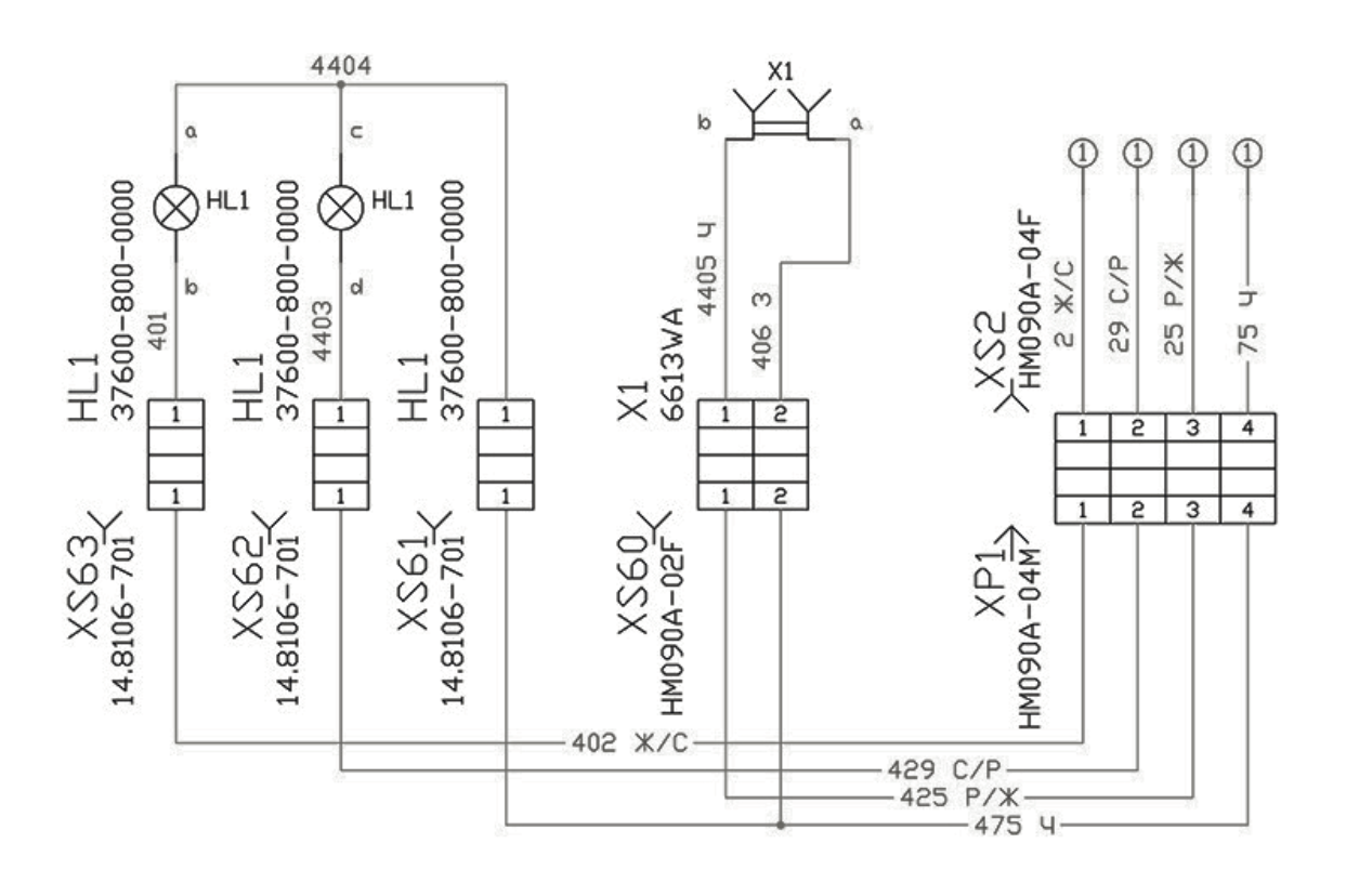
STELS V800 VIKING (Схема электрооборудования Жгут проводов задний)