Стекло, облицовка
Капот
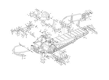
Щиток топливного бака
Кожух верхний SA600T
Кожух верхний SA800T
Щиток АКБ
Щиток левый SA600T
Щиток левый SA800T
Щиток правый
Щиток бампера левый
Щиток бампера правый SA600T
Щиток бампера правый SA800T
Кожух нижний
Передняя подвеска с 2024г.
Рама SA600T
Рама SA800T
Корпус SA600T
Корпус SA800T
Сиденье
Руль в сборе
Наклейки