Для получения качественного файла электросхемы - сделайте нам запрос
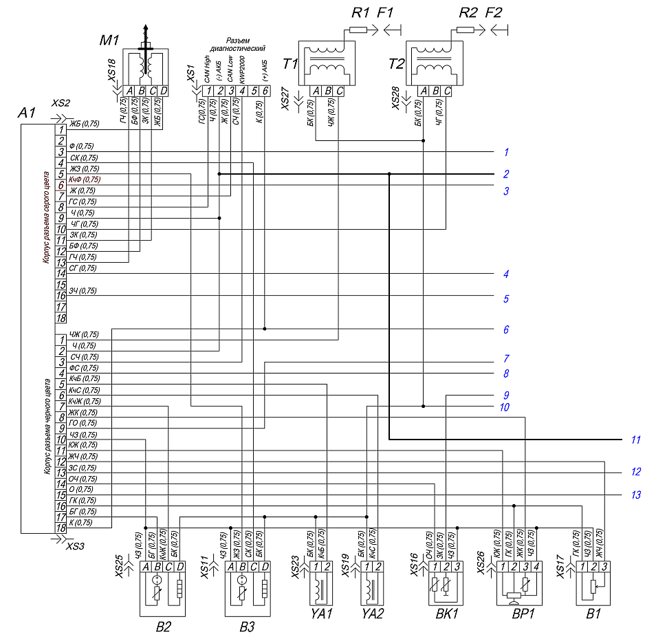
Схема электрооборудования (DELPHI): Принципиальная схема часть 1

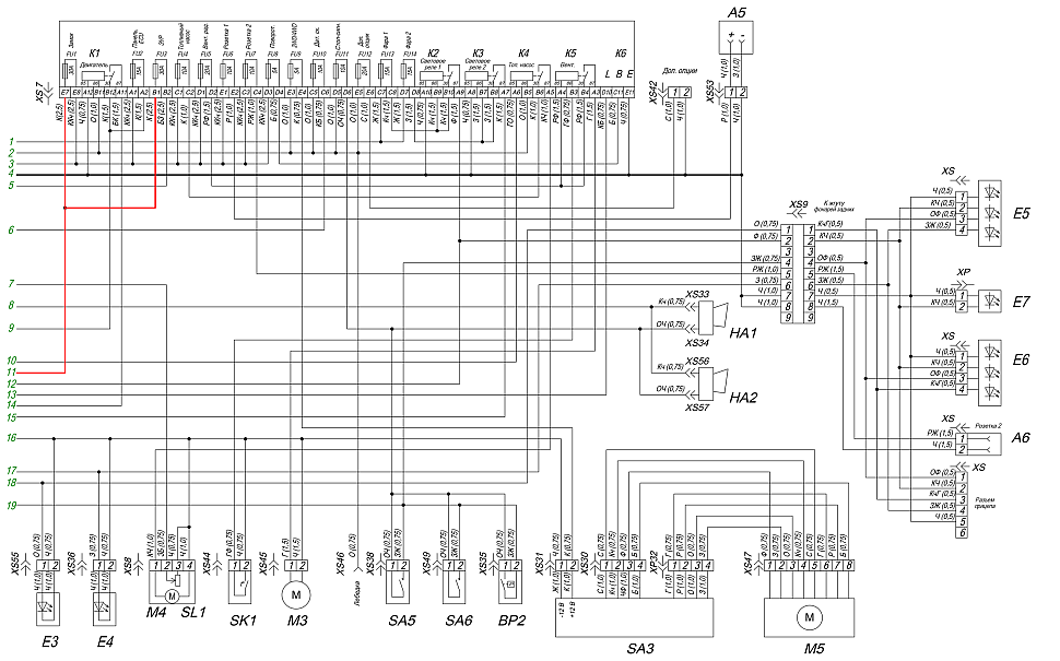
Схема электрооборудования (DELPHI): Принципиальная схема часть 2

Схема электрооборудования (DELPHI): Принципиальная схема часть 3


Схема электрооборудования (СОАТЭ): Принципиальная схема
